the battery in your Equinox involves removing the terminals. When you reconnect the terminals, your radio presets are likely to be cleared out. In some Equinoxs, you may need to re-enter a security code to get your radio to work again. Check for this code in your owners manual - it will usually be either a sticker or small card in the booklet. If you can't find it, call Chevrolet …
Chevy Equinox Starting & Charging. Categories. Batteries. Performance Series™ Battery by Odyssey®. Designed to handle the increased use of onboard accessories in today's vehicles, Performance Series batteries combine long service life, high reliability and deep cycle
Chevy equinox battery location .. to remove and how to jump start. How to replace a Battery on a Chevy Equinox. This particular one was 2012. How to change 2015 Equinox BATTERY Where is the BATTERY in the 2015 Chevy
![]()
fuel cell equinox chevy hit driveway road cars innovations
16, 2015 · See how to replace the battery in your 2010 - 2019 #Chevrolet #Equinox key fob keyless entry :OHT01060512 | AVL-B01T2AC - Order Here:
To begin with, open your hood and ensure that it's properly supported with the use of a prop …Remove the module casing by pressing on the small tab on one side and slide the casing …Use a 13-millimeter socket to remove the mounting bolt that holds the a 10-millimeter wrench to
Смотрите также видео: 2014 Chevy Equinox - Battery Replace, Chevrolet Equinox Battery Replacement - The Battery Shop, How to change battery in 2014 Chevy Equinox. Learn how to replace your 2013 Chevrolet Equinox battery without having to take it to the dealership.

alternator 2005 system charging equinox 2006 2007 removal repair autozone install installation remove mounting fig shown models guide vehicle
to view on Bing7:06Sep 30, 2019 · The Battery Shop provides studio quality battery replacement videos and battery tips/tricks this video may provide you with the basic : The Battery ShopViews: 134K
Battery location. Mandyoder. Member. 2005 chevrolet equinox. 6 cyl. AWD. Hello, Here is a guide to help you change the battery out and diagrams below to help you see it location. Here is the A/C Delco replacement for your vehicle.
Chevy Equinox battery location. If your battery is defective, you probably cannot avoid replacing it. Have your car checked in a workshop and the In this brief video you can see how to uncover the battery in 2nd generation of Chevy Equinox and then either jump start it or replace it with a new one.
![]()
equinox fuel fleet test chevy miles cell 3m goes chevrolet gm
And changing your Equinox's battery can indeed be complicated. But we have everything you need to know here. Plus, we'll give recommendations for the You can expect your Chevy's battery to last anywhere from three to seven years. How often you need to change depends on many factors,
05-09 Equinox Maintenance. Discuss general maintenance topics here. how to fill the radiator. Can I use a non-dealer to replace battery.
How to Change Battery 05-09 Chevy Equinox. 1A Auto: Repair Tips & Secrets Only Mechanics Know. How to replace a Battery on a Chevy Equinox. This particular one was 2012. See how to replace the battery in your 2005 & 2006 #Chevrolet #Equinox #key #fob keyless entry #remote.
How to replace a battery on a 2015 Chevy Equinox To purchase battery for Flex Equinox: How to change 2015 Equinox BATTERY Where is the BATTERY in the 2015 Chevy Equinox #HowToChangeBattery2015Equinox ...
12 volt car remote battery kind, revive a sealed battery service, auto battery price walmart, car batteries installed java, change car battery chevy equinox years, best deep cycle marine battery reviews, deep cycle battery water level now, price of a car battery x55d23c.
My 2009 Chevy Equinox battery is much easier to reach and remove because I have done it once. I bought the proper AC Delco EVLN2 Battery for my Volt from an AC Delco parts supplier for $135 + $12 core Also in CT. It takes about 15 minutes to change the battery, assuming you have a socket set.

thestylishpeople
Today I'm making a short little content about this 2018 Chevrolet Equinox. I'm providing some tips and tricks and information on resetting the oil life light on Chevy Equinox after an oil change yourself at All right, so after you do the oil change, you want to come inside and reset your oil life on the car.
25, 2017 · How to replace a Battery on a Chevy Equinox. This particular one was 2012. Pretty basic install, but slightly more technical than your standard battery

equinox battery chevy chevrolet replace change nishiohmiya golf
Опубликовано: 2017-08-25 Продолжительность: 09:19 How to replace a Battery on a Chevy Equinox. This particular one was 2012. Pretty basic install, but slightly more technical than your standard battery replacement.

battery pontiac torrent location ignition replacement equinox 2009 stuck keys replace sponsored links chevrolet question
How to charge a chevy equinox battery again, exact charging times will vary depending on your charger and how severely drained your battery Chevrolet equinox lt: i have a similar issue. i was putting a t-harness for my 2008 equinox and the dash did say to service battery

equinox americanwarmoms
Войти. RU. How to Replace Battery 05-09 Chevy Equinox. Смотреть позже. 1,37 млн подписчиков. Подписаться. In the video, 1A Auto shows how to clean your battery.
I can remove the cover from the battery, but there is a hold-down strap for the battery that I can't see how to remove. Do you need to break the thermostat housing in a 2012 chevy equinox in order to replace the thermostat? 2012 Chevrolet Equinox 1LT AWD.
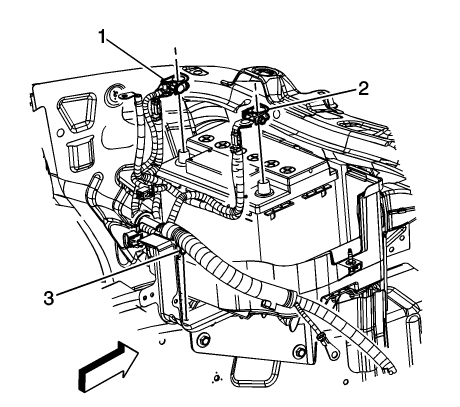
Hold Down Bracket: Rear - Hook & Slot: Set the two 10mm nuts aside in a safe place. Lift the hold down bar off the top of the old battery. Remove the hook on the rear edge of the clamp from its slot attached to the battery tray. Set the hold down bar aside in a safe place. Lift Off Plastic Box: Battery Box Removed: Remove Old Battery

equinox battery chevy 2008
to view on Bing0:16May 12, 2019 · Check out my DIY tutorial for changing a weak 12 volt car battery in a 3rd generation 2018 to 2022 GM Chevy Equinox SUV - : Paul79UFViews:
I got a 2011 chevy equinox has a new alternator and battery it's charging right but service battery charging system message come on and batt light You have already changed out the battery and alternator/voltage regulator which are two likely causes of your problem. If you are confident that
battery equinox replacement chevrolet 2022 12v automotive guide chevy dead
Chevy Equinox Key Fob Battery Change - "Replace Battery in Remote Key" 2018 and newer modelsПодробнее. How To Program A Chevrolet Equinox Smart Key Remote Fob 2018 - 2020Подробнее.
In respect to this, how much does a Chevy Equinox battery cost? Chevrolet Equinox Car Battery Replacement costs $233 on average. Were is the battery on a 2014 Chevy Equinox located Looks like its buried under a plastic cover under the hood nearest the front drivers side.

equinox chevy fuel cell driving future

equinox 1pcs
How long does a Chevy Equinox battery last? Chevy Equinox batteries can last about five to seven years. Replacing the battery in your 2009 Chevy Equinox is not a difficult task. You should take care to follow all safety precautions when handling car batteries, but it's fairly easy to change out
to viewReplacing the battery in your Equinox involves removing the terminals. When you reconnect the terminals, your radio presets are likely to be cleared out. In some Equinoxs, you may need to re-enter a security code to get your radio to work again. Check for this code in your owners …
2005 chevy equinox changed battery and alternator and still drains battery the next day or two. This happened to me two weeks ago, i tried to jump it and nothing, sor I repalced the battery. A few days later I got a flat, and told the service guy at the shop what happened.
GMC Terrain Battery Replacement. How to Replace Battery on a Chevy Equinox. Weak Crank Service Stabilitrak fix on a GMC Terrain. Step by Step

equinox battery replacement
View and Download Chevrolet Equinox 2018 owner's manual online. If temperature change or pain to the skin cannot be felt, the seat Warning heater may cause burns. Lighting this action may be noticeable to the Exterior Lighting Battery driver. If so, a DIC message might Saver be displayed
2008 Equinox sport, the battery has completely discharged causing a no start situation. Home › Chevrolet › Chevrolet Equinox. I also called the toll free Chevy number hoping they could tell me how to resolve this problem without the car being towed, but they could not so they connected
How to replace the coin cell battery in the keyless entry system's remote control key fob of a second generation 2010 to 2013 GM Chevy Equinox with photo illustrated steps. No tools are needed to change the battery, although a small flathead screwdriver can be useful.
Car batteries may die for any number of reasons; perhaps you accidentally left your lights burning, forgot to turn the switch off completely or have a However, if you find that the battery on your Chevy Equinox is continually dying, you should take the vehicle to a qualified mechanic for a checkup.
to viewReplacing the battery in your Equinox involves removing the terminals. When you reconnect the terminals, your radio presets are likely to be cleared out. In some Equinoxs, you may need to re-enter a security code to get your radio to work again. Check for this code in your owners …
2018 chevy equinox change battery horn works car won't start. Chevrolet Equinox 2018 94000 miles. My car is a push start I drive a 2018 Chevy equinox I changed the battery in it the horn blows however I get no power no lights I've tried to reset the fob unsuccessful.

equinox battery chevy
20, 2018 · Chevy equinox battery location .. to remove and how to jump start. Chevy equinox battery location .. to remove and how to jump start.
