How much does a car key replacement cost? A car key replacement costs anywhere from $75 to $250 for most transponder models. Luxury cars might run $200 to $500 a key. Simple metal keys, sometimes called 'valet keys' cost $4-$10 to make, however, some newer cars require 'chipped'...

However, most cars with keyless entry do not have an ignition lock for a mechanical key, they just have a start button. If the car does not respond or respond's with a key error, pick up the key and tap it in the palm of your hand. If the car then starts you have a key that will sleep and not drain the battery.

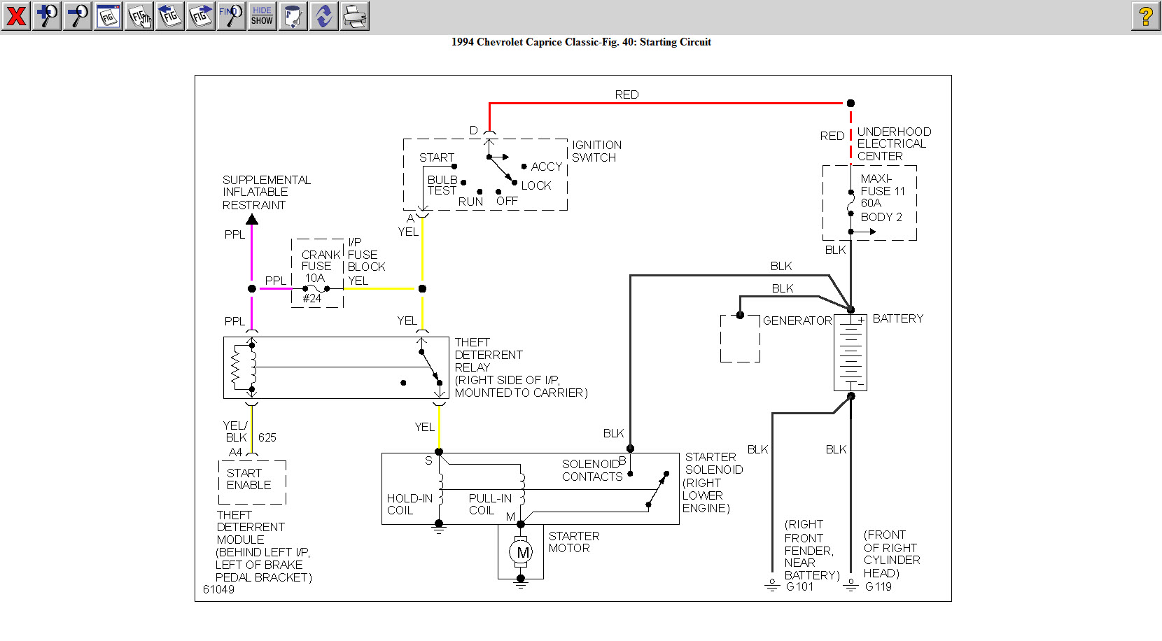
ignition problems 1994 caprice chevy
Programming a VW key costs around 75 £ and more. If the programming is not done correctly, you may be able to open the car but not to start the ignition. How long does it take to replace a VW key ? Replacing a VW key usually takes around 30 minutes for a locksmith. In some situations,

much does an MOT cost? Car MOTs cost just £ at Halfords, a massive saving on the DVSA maximum test fee. You can choose from one of hundreds of convenient locations and enjoy the peace of mind that your car is safe in the hands of an experienced Halfords technician.
Table of Contents What is it called when you start a car without a key? How much does it cost to replace ignition cylinder?
What are the costs of replacing a battery for an EV? Batteries that did decline faster than they should have were replaced for free within the 8 year warranty period. Now that the 8 year warranties have run out we find that the cost of a replacement battery fitted by a dealer has thankfully

lock replacement cost cylinder much door does
The cost of replacing a key fob remote can range from $50 to over $100 depending on the automaker and complexity of the design. Our searches found a method that is said to work on many domestic vehicles. Insert one of your two working keys and turn the ignition to the "on" position for at least
Since the labor cost to replace the surface mount panic bar is minimal, it may just be easier to hire The cost to replace a vertical rod exit device, with professionally installation by a licensed locksmith ACME Locksmith is Arizona's #1 Rated Locksmith. We have been performing lock and key services
More precisely, how much would it cost to replace… The second part of cost related to replacing a furnace circuit board comes from labor and skill. When it comes to a key appliance such as your furnace, you want to make sure it is not only done right but done securely so you can enjoy a
How much does it cost to replace ignition switch on windstar? Well I had an ignition coil replaced in a 1990 Oldsmobile and the coil cost approximately $50.
How Much Does It Cost? The best way to replace a key fob is to buy a new one from a car dealer. Key fob replacement can cost between $150 and Insurance typically does not cover replacement of a key fob, though you'll want to check with your agent or read your policy closely to confirm.
How Much Does It Cost to Repair a Dryer? Average range: $100 - $200. Replacing a dryer vent costs between $75 and $150. Dryer vents play a key part in your appliance's safe functioning, helping to remove the moist air from the dryer and transport it out of the home.
I took my bike to the shop near my apartment to have the cables replaced and the guy quoted me $135. During installation they'll have to do adjustments that would cost another $15-$30 if you weren't buying new parts. Mind you, the room is only accessible with a fob key, and most

This is a common question I'm asked in person and online, particularly in the youtube comments. Hopefully this provides some insight on how much it costs
How much would it cost? My car has 130000 miles. I have Volkswagen Jetta 2007. I need to replace the ignition switch (which means changing keys as well). How much would it cost?
How much ignition lock cylinder replacement should cost. An ignition lock cylinder averages about $50-$250 for just the part, but can cost $10-$700 or more, depending on the make and model of $200 and he couldnt do it. He called another guy to replace the ignition and new keys with chip.
How Much Does Replacing A Car Key Cost? If it does, just fill out the form below for a free quote, and see how great it can be to never have to pay for car repairs ever again. It couldn't be more simple to get a quote from us and you could find yourself saving thousands of dollars per year on car repairs.
Getting a replacement key that is just for the ignition is very doable and should not cause you too much of a headache. If your vehicle is very new, this may be unrealistic as your entire key could require a chip replacement instead of just the How Much Does It Cost To Lift A Jeep Wrangler?
An ignition key plus a remote to lock and unlock the doors. A key fob with remote locking/unlocking and push-button start. "The cost to replace the latest key fobs can run anywhere from $50 to as high as $400 depending "We can't warranty parts or labor, and if we try to program it and it doesn't
Us a Call 24/7 For All Honda Lost Car Keys Replacement! Call Us Now: 800-223-1453 We specialize in making replacement car keys for all Honda models when you need a spare key, remote Fob key, your car’s ignition repaired or replaced, and more.
23, 2016 · Audi Q5/Q7: How to Replace Key Fob Battery. Your vehicle's key fob battery may very well need to be replaced at some point. Fortunately, you don't need to endure a potentially expensive trip to the dealership to get a new one.
Hi, Does anyone know how much it costs to get a replacement key? I havent replace an Audi key, but my old Lexus key cost $350 to replace, so expect something in that price range if you buy it from the dealer.
Discover how much it costs to repair your car starter. We also cover common symptoms of a broken car starter and recommendations on how to resolve this issue. When you turn the key and the ignition begins, the power from the battery goes through the starter and makes its way to the
Monitoring the ignition system. Delivering commands to the transmission and camshaft systems. The car's computer communicates with a number of sensors including the oxygen sensor , air pressure sensor, air temperature sensor, throttle position sensor , coolant temperature sensor, and the
How to reduce the replacement cost? Racks for truck frames. A board for adjustment of tools. You can replace the truck frame in your garage with the machinery and other necessities. It is also a costly process, but you can lower down the money with support.

Hyundai Lost Car Key Replacement - All The Information You Need To Know About Hyundai Changing the ignition for Hyundai cars is more expensive than buying a replacement key and it will FAQ Lost Hyundai Keys Replacement: Q: Hyundai key replacement cost - How much will
How Much Does It Cost To Repair A Deck Or Its Boards? The average cost for deck repair is $100 to $500 for simple repairs with most homeowners spending around $500 - $2,500 for extensive deck repairs.
Car key duplication cost can vary depending on how you handle the process. Read more to find the lowest It is also important to understand the differences between duplicating a car key, replacing a car key, or cutting an The chip works by emitting a signal to a receiver that is housed in the ignition.
Windshield replacement costs. The cost to replace a windshield varies based on the make and model of the car. Costs range from $150 to $300, with an average of $214. However, rare windshields for collector cars and high value vehicles, which are only available through dealers, could cost as
How Much Does It Cost To Replace An Alternator? Now for the hard pill to swallow, how much will it cost to replace an alternator? While the price will vary from vehicle to vehicle, here are a few estimates pulled from RepairPal on some popular vehicle to give you a better idea of what costs
much does an ignition interlock device cost? The cost of an IID depends on the state you’re in, the type of vehicle you own, and any specific features of your car such as remote start. Generally, ignition interlocks cost between $60 and $90 a month.
Look for discounted replacement keys / key fobs online. After market keys or even factory replacements can If it does, then it is possible that the chip contained in the key has failed or malfunctioned How much would a key replacement be for a 2013 Honda and where can I get one?
How a failed ignition coil is diagnosed. First, your mechanic will scan the engine computer for Ignition coils are also recommended to be replaced if they show cracks, traces of arcing or other In most cars with a 4-cylinder or inline-6 engine, replacing an ignition coil is a simple and not
